全国服务热线
400-875-1500
400-875-1500
销售热线:13720093566

扫一扫,添加销售经理
NGT-00 700V快速熔断器
库存料号:NGT-00 700V/80A
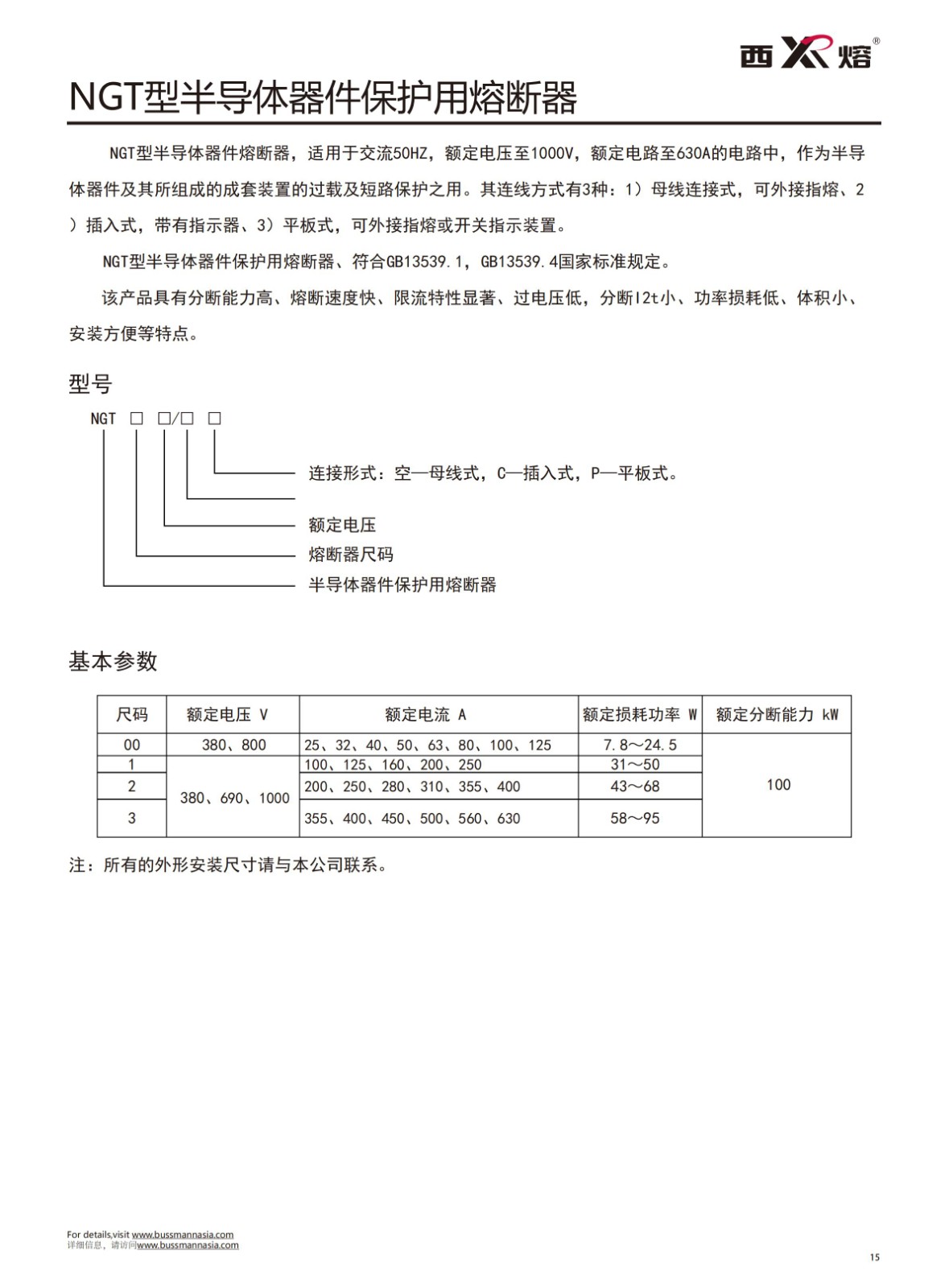
连线方式有3种:
1)母线连接式,可外接指熔
2)插入式,带有指示器
3)平板式,可外接指熔或开关指示装置。
符合标准:GB13539.1,GB13539.4国家标准规定
分享至:
- 产品介绍
- 视频中心
- 相关证书
- 样品申请
- PDF下载




上一篇:NGT-00 380V快速熔断器 下一篇:NGT-00 800V快速熔断器






销售热线


















